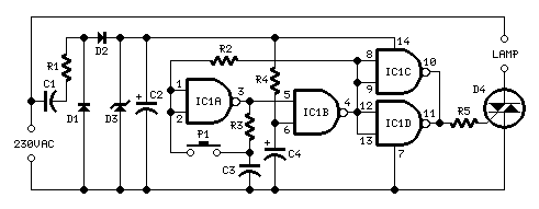
Published:2012/12/25 21:15:00 Author:muriel | Keyword: 230Vac, Lamp , Toggle Switch | From:SeekIC

Reprinted Url Of This Article:
http://www.seekic.com/circuit_diagram/Control_Circuit/230Vac_Lamp_Toggle_Switch.html
Print this Page | Comments | Reading(3)
Code: