Published:2009/7/16 2:29:00 Author:Jessie | From:SeekIC

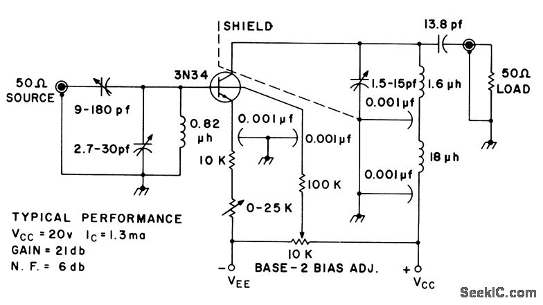
Collector voltage and current are kept constant and gain is changed in accordance with base-2 current. Gain is 21 db and typical noise figure is 6O db,-Texas Instruments Inc., Solid-State Communications, McGraw-Hill, N.Y., 1966,p 213.
Reprinted Url Of This Article:
http://www.seekic.com/circuit_diagram/Control_Circuit/30_MC_GAIN_CONTROLLED_TETRODE.html
Print this Page | Comments | Reading(3)
Code: