Published:2009/7/20 21:52:00 Author:Jessie | From:SeekIC

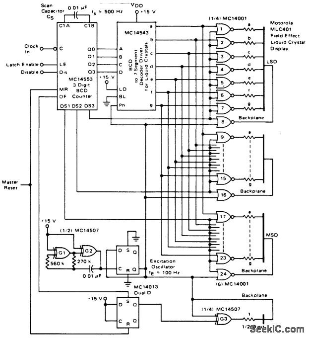
3 1/2-digit multiplexed MLC401 field-effect LCD(courtesy Motorola Semiconductor Products Inc.).
Reprinted Url Of This Article:
http://www.seekic.com/circuit_diagram/Control_Circuit/3_1_2_digit_multiplexed_MLC401_field_effect_LCD.html
Print this Page | Comments | Reading(3)
Code: