Published:2009/7/22 1:27:00 Author:Jessie | From:SeekIC

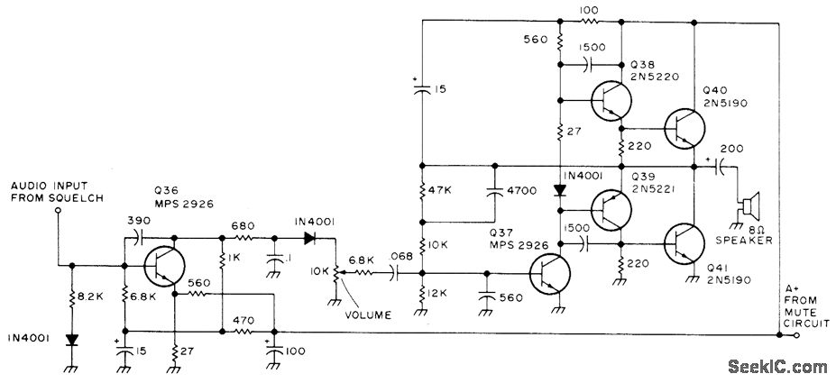
Used in all-band double-conversion super heterodyne receiver for AM, narrow-band FM, CW, and SSB operation. When only noise is present, first audio transistor Q36 is biased out of conduction by squelch and mutes loudspeaker. Supply is 13.6 V regulated. Article gives all circuits of receiver-D. M. Eisenberg, Build This All-Band VHF Receiver, 73 Magazine, Jan, 1975, p 105-112.
Reprinted Url Of This Article:
http://www.seekic.com/circuit_diagram/Control_Circuit/3_W_CLASS_AB.html
Print this Page | Comments | Reading(3)
Code: