Published:2011/5/10 4:02:00 Author:Nicole | Keyword: 4~20mA temperature transmitter | From:SeekIC


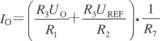
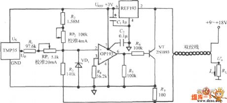
As shown in the figure, it is a 4~20mA temperature transmitter circuit which is composed of TMP35. This circut can change the voltage singal exported by TMP35 into 4~20mA standard current singal, it is used by automatic instruments to control the industry temperature. 4mA is as zero scale interval, 20mA is as full scale alue. REF193 is 3V reference voltage source, OP193 is operational amplifier, RP1、RP2 are calibration full scale alue and zero point's potentiometer, they can be adjusted independently. VD1 adopts Schottky diode, it can avoid OP193 open-loop voltage rising. The power voltage can be chosen between +9~+18V. The expression formula of transmitter's output current is:
Reprinted Url Of This Article:
http://www.seekic.com/circuit_diagram/Control_Circuit/4~20mA_temperature_transmitter_circuit_diagram_composed_of_TMP35.html
Print this Page | Comments | Reading(3)
Code: