Published:2009/7/5 21:51:00 Author:May | From:SeekIC

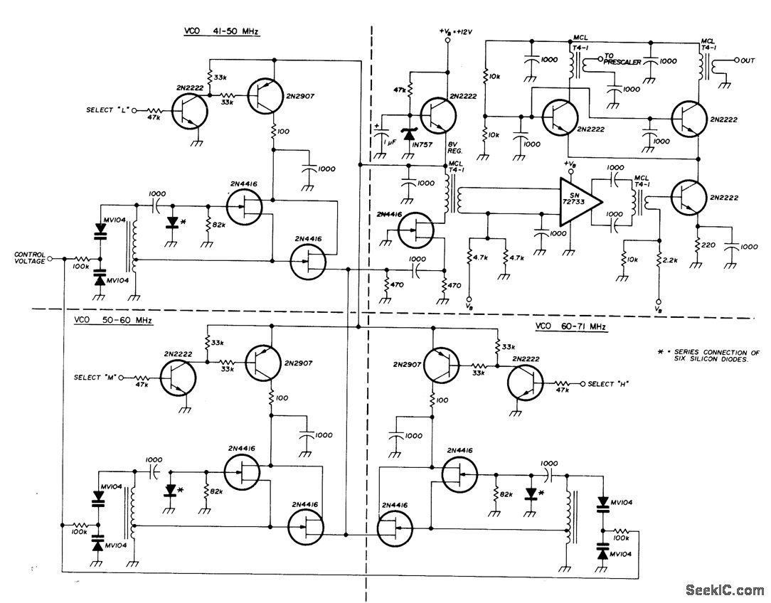
Three Indopendent low-noise VCOs are usedin 41-71 MHz frequency synthesizer, Control voltage is obtained from phase-comparator output of synthesizer. Outputs are chosen by selector switch.Texas Instruments SN72733 wideband amplifier is used for decoupling. Cascade arrangement provides two independent outputs at low impedance.-U. L. Rohde, Modem Design of Frequency Synthesizers, Ham Radio, July 1976, p 10-23.
Reprinted Url Of This Article:
http://www.seekic.com/circuit_diagram/Control_Circuit/41_5050_60AND_60_71_MHz.html
Print this Page | Comments | Reading(3)
Code: