Published:2009/7/10 21:14:00 Author:May | From:SeekIC

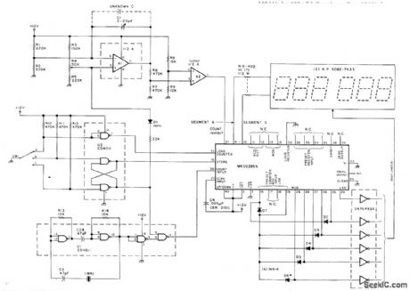
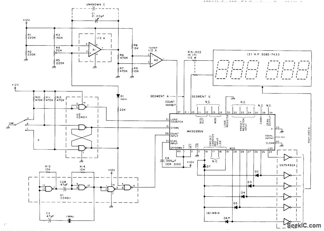
Digital capacitance meter provides display of capacitance values from 1 pF to 999999 pF (1.0μF). Start-measurement switch drains charge from capacitor under measurement and diverts constant-current source to ground. Capacitor begins charging,and counter accumulates 1-μs pulses from crystal clock. When capacitor charge voltage reaches threshold of countinhibit line for counter, contents of counter are displayed as capacitance value. Circuit uses Mostek MK50395N six-decade counter that provides ;-segment output data for display. Position A of SW1 is starting point B stores data in counter display after capacitor measurement, and C initiates measurement. Display includes leading-zero suppression.-J. Garrett,What's Your μF?, 73 Magazine, Dec. 1978, p 234-235.
Reprinted Url Of This Article:
http://www.seekic.com/circuit_diagram/Control_Circuit/6_DIGIT_VALUES.html
Print this Page | Comments | Reading(3)
Code: