Published:2009/6/25 1:56:00 Author:Jessie | From:SeekIC

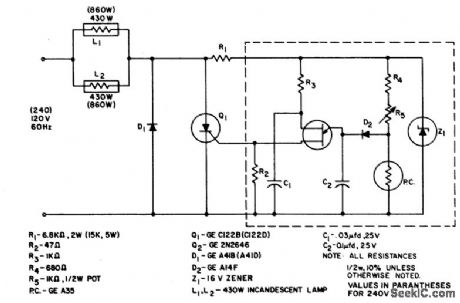
The system is designed to regulate an 860 a watt lamp load from half to full power. This is achie ved by the controlled-half-plus-fixed-half-wave phase control method. Half power applied to an incandescent lamp results in 30% of the full light output. Consequently the circuit is designed to control the light output of the lamp from 30% to 100% of maximum.
Reprinted Url Of This Article:
http://www.seekic.com/circuit_diagram/Control_Circuit/860_WATT_LIMITED_RANGE_LOW_COST_PRECISION_LIGHT_CONTROL.html
Print this Page | Comments | Reading(3)
Code: