Published:2009/7/12 22:55:00 Author:May | From:SeekIC

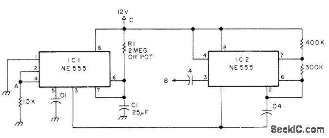
Developed for AM radio transceivers making use of repeaters, to limit length of individual transmission so as to avoid being timed out at repeater. Uses NE-555 connected as timer, with C1 and R1 chosen to set timing at about 90 s. Point A is connected to terminal of TB switch that goes from neutral or ground on receive to 12 V on transmit. Timing cycle begins on transmit; when IC1 times out, it activates IC2 connected as 1000-Hz astable oscillator driving transceiver connected to B. Tone sounds until microphone button is released to reset timer.-S. Kraman, Try the Mini-Timer, 73 Magazine, June 1977, p 48.
Reprinted Url Of This Article:
http://www.seekic.com/circuit_diagram/Control_Circuit/90_s_TALKING_LIMIT_WARNING.html
Print this Page | Comments | Reading(3)
Code: