Published:2009/7/22 5:29:00 Author:Jessie | From:SeekIC

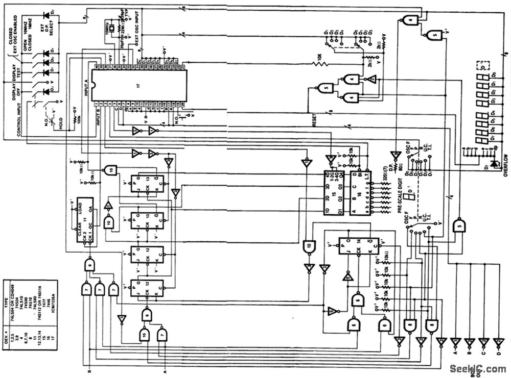
9-digit universal counter using the ICM7226A 40-pin DIP (courtesy Intersil, Inc.).
Reprinted Url Of This Article:
http://www.seekic.com/circuit_diagram/Control_Circuit/9_digit_universal_counter_using_the_ICM7226A_40_pin_DIP.html
Print this Page | Comments | Reading(3)
Code: