Published:2011/5/15 2:54:00 Author:John | Keyword: A3 switch | From:SeekIC

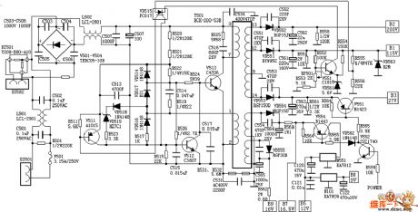
A3 switch power supply circuit is shown below.
Reprinted Url Of This Article:
http://www.seekic.com/circuit_diagram/Control_Circuit/A3_switch_power_supply_circuit.html
Print this Page | Comments | Reading(3)
Code: