Published:2009/7/22 1:59:00 Author:Jessie | From:SeekIC

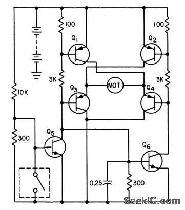
Provides null capture in indicated balance point for each level of acceleration, with bidirectional current switching for accelerometer molar.-F. W. Kear, Dynamic Fluid Switch Senses Acceleration, Electronics,34:38,p 64-67.
Reprinted Url Of This Article:
http://www.seekic.com/circuit_diagram/Control_Circuit/ACCELERATION_SENSING_SWITCH_WITHOUTOVERSHOOT.html
Print this Page | Comments | Reading(3)
Code: