Published:2009/6/24 2:57:00 Author:Jessie | From:SeekIC

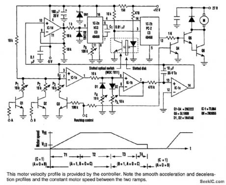
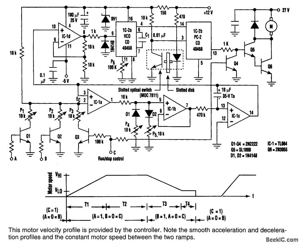
This circuit can control dc motors used in machines that pull materials, such as wire, yam, film, etc., from the supply rolls and rewind them onto smaller rolls. Its motor velocity profile is shown in the figure.A lightweight disk with at least 32 slots is mounted on the motor shaft. It works in a slotted op-tical switch (MOC7811) to sense the motor speed. Phase comparator 2(PC-2)of the phase-locked loop(IC-CD 4046B)compares the frequency (fV)at the output of the VCO with the pulse rate (fm) at the optical switch output. The PC-2 output drives the motor via the transistors when fm>fv, and removes the supply to the motor when fv>fm. The drive system quickly reaches an equilibrium con-dition when fm=fv.Op amps IC-1a, 1b, and 1c form a tracking integrator whose output always smoothly reaches and remains at a voltage equal to the command voltage (Ec) presented at the inverting input of op-amp IC-1a. When the digital control inputs are set to (A=1,B=0=C), the integrator generates a posi-tive slope ramp that sweeps the VCO frequency and, thus, accelerates the motor. The acceleration rate and the constant speed VHI, can be adjusted by presets P4 and PI, respectively.Similarly, when the inputs are set to (A=0=C,B=1), the integrator generates a negative slope ramp that decelerates the motor. Presets P5 and P2 can be adjusted to set the required deceleration and the constant speed VLO, respectively.
Reprinted Url Of This Article:
http://www.seekic.com/circuit_diagram/Control_Circuit/ACCURATE_MOTOR_SPEED_CONTROL.html
Print this Page | Comments | Reading(3)
Code: