Published:2009/6/29 23:20:00 Author:May | From:SeekIC

Reprinted Url Of This Article:
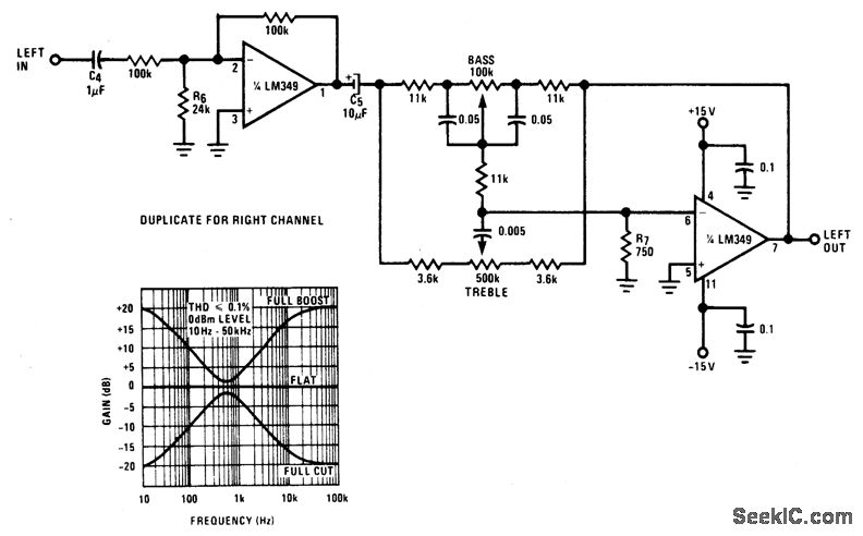
http://www.seekic.com/circuit_diagram/Control_Circuit/ACTIVE_BASS_&_TREBLE_TONE_CONTROL_WITH_BUFFER.html
Print this Page | Comments | Reading(3)
Code: