Published:2009/7/10 6:10:00 Author:May | From:SeekIC

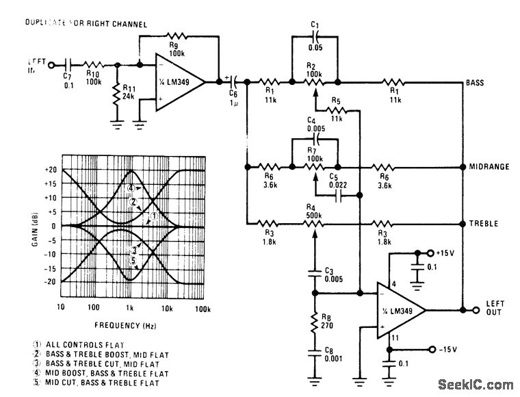
Addition of midrange tone control to active bass and treble control gives greater control flexibility. Center frequency of midrange control is determined by C4 and C5 and is 1 kHz for values shown. C5 should have 5 times value of C4.-“Audio Handbook,” National Semiconductor, Santa Clara, CA, 1977, p 2-40-2-49.
Reprinted Url Of This Article:
http://www.seekic.com/circuit_diagram/Control_Circuit/ACTIVE_MIDRANGE_TONE_CONTROL.html
Print this Page | Comments | Reading(3)
Code: