Published:2009/7/1 2:43:00 Author:May | From:SeekIC

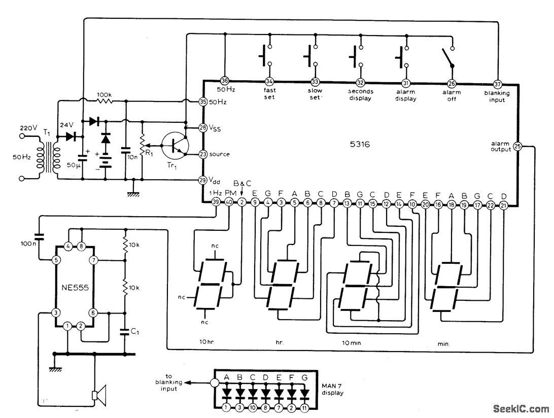
Uses MM5316 alarm-clock IC,originally designed to drive LCD or fluorescent displays,but modified here for LED display Diodes and batteries provide power if AC fails,with blanking of display to extend battery life. Accuracy is poor on batteries but batteries make resetting of time and alarm easier after AC interruption.Alarm uses 555 multivibrator to produce frequency-shfft warble on output tone. Time is set by fast and slow buttons, and alarm is set with same buttons while depressing alarm-display button. Transistor type is not critical.-M. F.Smith, Digital Alarm Clock, Wireless World, Nov. 1976, p 62.
Reprinted Url Of This Article:
http://www.seekic.com/circuit_diagram/Control_Circuit/AC_DIGITAL_CLOCK_WITH_STANDBY_BATTERY.html
Print this Page | Comments | Reading(3)
Code: