Published:2009/7/16 2:44:00 Author:Jessie | From:SeekIC

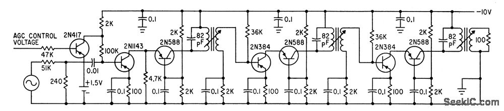
2N417 transistor is gain control element for 10-Mc tuned i-f amplifier using transistor cascade circuit. Bandwidth is 1.25 Mc and maximum gain is 91 db.-J. F. Perkins, Transistor Cascade Circuit Improves Automatic Gain Control in Amplilers, Electronics, 34:22, p 49-51.
Reprinted Url Of This Article:
http://www.seekic.com/circuit_diagram/Control_Circuit/AGC_FOR_WIDE_BAND_I_F.html
Print this Page | Comments | Reading(3)
Code: