Published:2009/6/22 22:48:00 Author:Jessie | From:SeekIC


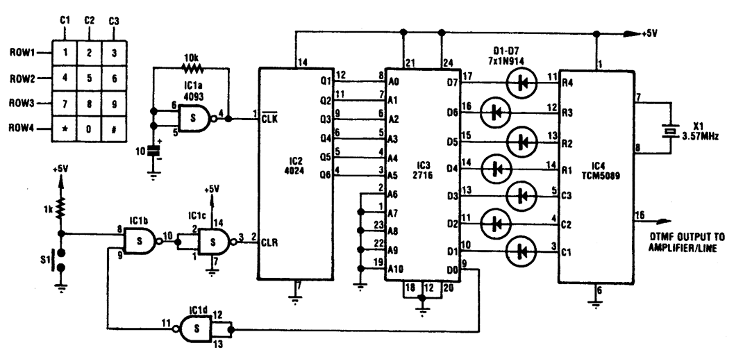
This circuit dials a stored DTMF tone sequence from EPROM when a control line is taken to 0 V. IC1 is a Schmitt trigger oscillator, running at around 2 Hz. It clocks a 4024 binary counter. The coun-ter's outputs connect to the address leads of the EPROM. A 2716 was used here, but the choice of EPROM is by no means critical.Normally, the counter is held reset by a logic 1 on its reset pin (pin 2). When the trigger input is sent low, pin 10 of IC1 goes low, pin 3 goes high, and the reset is removed from the counter. It then begins to clock, incrementing the EPROM. When moved from address 000000, the data on bit DO of the EPROM changes to a logic 1 and holds the circuit running. The last address should have data 11111110 to reset the circuit to standby.
Reprinted Url Of This Article:
http://www.seekic.com/circuit_diagram/Control_Circuit/ALARM_DIALER.html
Print this Page | Comments | Reading(3)
Code: