Published:2009/7/15 21:02:00 Author:Jessie | From:SeekIC

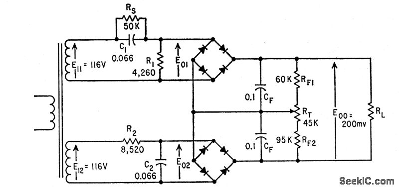
Servo discriminator measures phase with respect to preadjusted components, making accuracya function of initial setting. At 400 cps, d-c output is l00 mV for frequency deviation of 0.5 cps. Absolute accuracy is 0.125% between -55 and +100℃ ambient. Used as error-sensing device with servo drive in feedback control loop of constant-speed transmission for aircraft alternators.-R. Hill, Discriminator Controls Aircraft Alternator, Electronics, 31:41, p 94-95.
Reprinted Url Of This Article:
http://www.seekic.com/circuit_diagram/Control_Circuit/ALIERNATOR_FREQUENCY_CONTROL.html
Print this Page | Comments | Reading(3)
Code: