Published:2009/7/13 3:26:00 Author:May | From:SeekIC

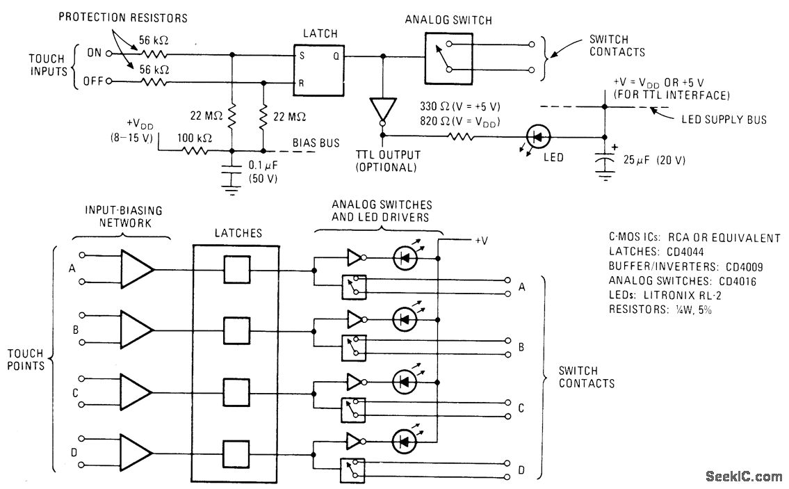
CMOS Iogic gives bounceless operation of CD4016 analog switches by sensing of ambient signals at fingertip of operator. Connections for quadruple touch-switeh arrav are shown below. Touch plates can be metal squares or disks up to 2 cm wide. If used in remote locations where power lines or other electromagnetic-field sources are not present, it may be necessary to provide grounded second contact at each sensor so slight conduction between contacts will assure triggering.-M. W. Hauser, C-MOS Touch-Switch Array Controls Analog Signals, Electronics, March 1, 1974, p 113-114; reprinted in Circuits for Electronics Engineers, Electron-ics, 1977, p 357-358.
Reprinted Url Of This Article:
http://www.seekic.com/circuit_diagram/Control_Circuit/ANALOG_SIGNAL_CONTROL.html
Print this Page | Comments | Reading(3)
Code: