Published:2009/7/14 1:29:00 Author:May | From:SeekIC

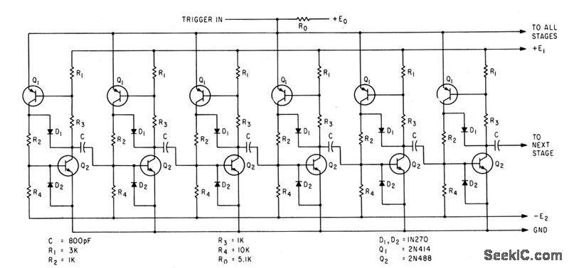
Triggered by coupling emitters of transistors Q1 to common bus, to permit both forward and reverse operation. Use of pnp-npn pairs reduces power requirements, improves load capacity, increases speed, and simplifiers circuits.-N. C. Hekimian, PNP-NPN CIRCUITS: New Look at a Familiar Connection, Electronics, 35.47, p 42-46.
Reprinted Url Of This Article:
http://www.seekic.com/circuit_diagram/Control_Circuit/ANODE_TRIGGERED_RING_COUNTER.html
Print this Page | Comments | Reading(3)
Code: