Published:2009/7/16 2:20:00 Author:Jessie | From:SeekIC

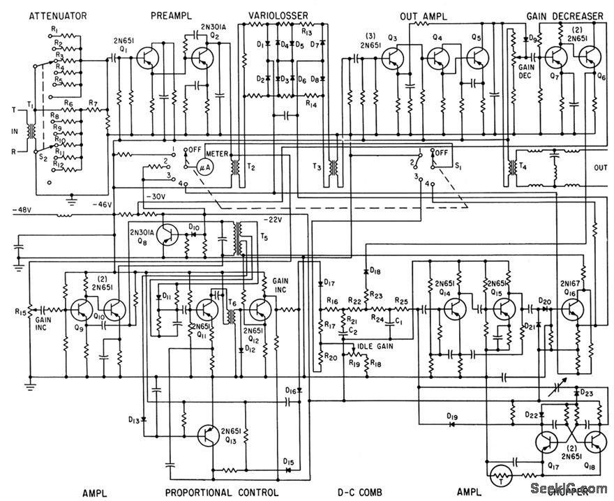
Automatic gain-adjusting amplifier produces constant output for speech level variations up to 40 db. Intelligibility of speech is ensured by allowing instantaneous peaks to remain.-L.E. Getgen, Amplifier Compensates for Speech-Level Variations, Electronics,33:31, p 103-106.
Reprinted Url Of This Article:
http://www.seekic.com/circuit_diagram/Control_Circuit/AUDIO_AGC_FOR_40_DB_RANGE.html
Print this Page | Comments | Reading(3)
Code: