Published:2009/7/1 4:24:00 Author:May | From:SeekIC

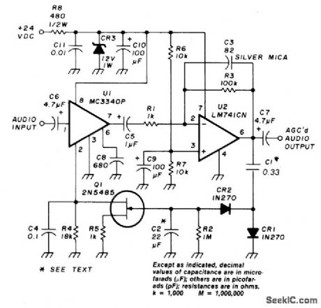
An audio signal applied to U1 is passed through to the 741 operational amplifier, U2. After being amplified, the output signal of U2 is sampled and applied to a negative voltage doubler/rectifier circuit composed of diodes CR1 and CR2 along with capacitor C1. The resulting negative voltage is used as a control voltage that is applied to the gate of the 2N5485 JFET Q1. Capacitor C2 and resistor R2 form a smoothing filter for the rectified audio control voltage.The JFET is connected from pin 2 of the MC3340P to ground through a 1 kilohm resistor. As the voltage applied to the gate of the JFET becomes more negative in, magnitude, the channel resistance of the JFET increases causing the JFET to operate as a voltage controlled resistor. The MC3340P audio attenuator is the heart of the AGC. It is capable of 13 dB gain or nearly -80 dB of attenuation depending on the external resistance placed between pin 2 and ground. An increase of resistance decreases the gain achieved through the MC3340P. The circuit gain is not entirely a linear function of the external resistance but approximates such behavior over a good portion of the gain/attenuation range. An input signal applied to the AGC input will cause the gate volt-age of the JFET to become proportionally negative. As a result the JFET increases the resistance from pin 2 to ground of the MC3340P causing a reduction in gain. In this way the AGC output is held at a nearly constant level.
Reprinted Url Of This Article:
http://www.seekic.com/circuit_diagram/Control_Circuit/AUDIO_AUTOMATIC_GAIN_CONTROL.html
Print this Page | Comments | Reading(3)
Code: