Published:2009/7/10 5:14:00 Author:May | From:SeekIC

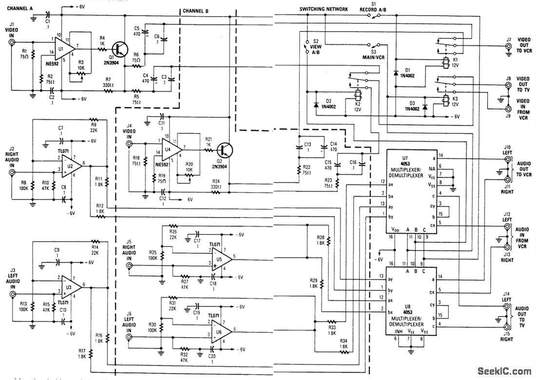
This circuit is a two-channel baseband video switcher. Buffer amps U1/Q1, U4/Q4, and associated components produce a buffered 75-Ω video signal, which is routed to switching network K1/K2/K3. Relay K1 selects either of these two video amplifiers and feeds J7. K2 also routup of either video amplifier to K3, which passes the selected video channel to J8 or connects J9 to J8.U2 andJ3 are audio amplifiers,which drive U7 and J8(CD4053 analog switches)to route audio from J1 and J2 to either J14/J15,or J10/J11.Also,audio from J12/J13 can be routed to these jacks.
Reprinted Url Of This Article:
http://www.seekic.com/circuit_diagram/Control_Circuit/AUDIO_VIDEO_SWITCHER.html
Print this Page | Comments | Reading(3)
Code: