Published:2011/3/27 22:21:00 Author:may | Keyword: Fan multi-function remote control | From:SeekIC

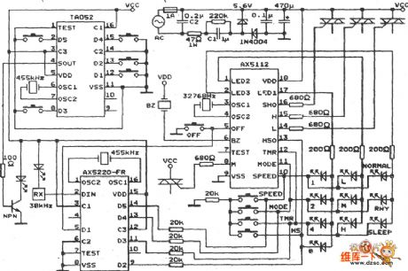
AX5112 Fan multi-function remote control circuit is shown in the diagram:
Reprinted Url Of This Article:
http://www.seekic.com/circuit_diagram/Control_Circuit/AX5112_Fan_multi_function_remote_control_circuit.html
Print this Page | Comments | Reading(3)
Code: