Published:2009/7/23 22:09:00 Author:Jessie | From:SeekIC

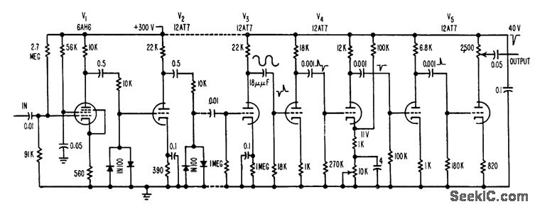
Locales zero of a-c voltage within 0.1 microsec for 50-kc input signal. Operation is independent of input signal amplitude between 0.15 and 30 v p-p. Used for accurate measurement of lime interval between given number of cycles of ex ponentially decaying 50.kc signal.-L. Costrell, A.C Zero locator, Electronics, 31:3, p 98-101.
Reprinted Url Of This Article:
http://www.seekic.com/circuit_diagram/Control_Circuit/A_C_ZERO_LOCATOR.html
Print this Page | Comments | Reading(3)
Code: