Published:2011/7/18 10:27:00 Author:Robert | Keyword: Capacitive Load, Emitter, Follower | From:SeekIC

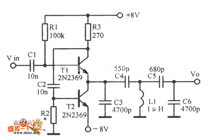
The picture shows thea capacitive load emitter follower circuit.
Reprinted Url Of This Article:
http://www.seekic.com/circuit_diagram/Control_Circuit/A_Capacitive_Load_Emitter_Follower_Circuit.html
Print this Page | Comments | Reading(3)
Code: