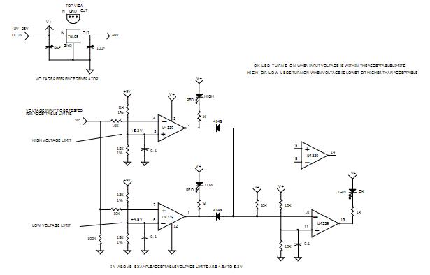
Published:2013/1/7 21:09:00 Author:muriel | Keyword: Acceptable Voltage Indicators | From:SeekIC

Reprinted Url Of This Article:
http://www.seekic.com/circuit_diagram/Control_Circuit/Acceptable_Voltage_Indicators.html
Print this Page | Comments | Reading(3)
Code: