Published:2011/8/25 7:47:00 Author:Sue | Keyword: Advertising Decor Lamp, Controller | From:SeekIC

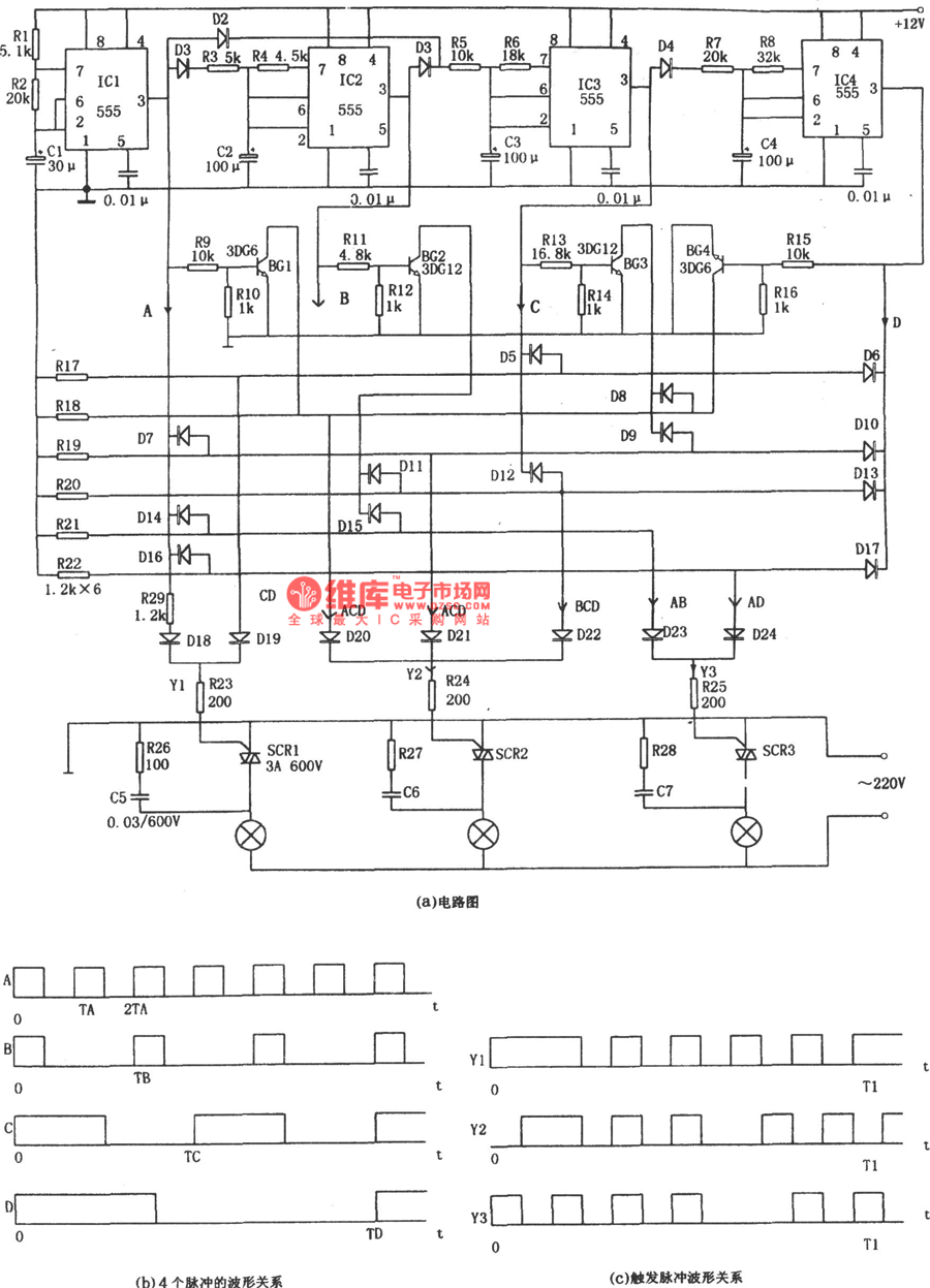
IC1 and R1,R2,C1 constitute multivibrator and its oscillating frequency f=1.44/(R1+2R2). The corresponding parameter in the circuit is about 4Hz. As seen in the figure (b), we can see from B that IC2 and R3,R4,C2 constitute trigger circuit which will realise two frequency division of IC1's output square wave A. As seen in the figure (b), we can see from C that IC3 and R5,R6,C3 constitute trigger circuit which will realise three frequency division of IC1's output square wave A. As seen in the figure (b), we can see from D that IC4 and R7,R8,C4 constitute trigger circuit which will realise six frequency division of IC1's output square wave A.
Reprinted Url Of This Article:
http://www.seekic.com/circuit_diagram/Control_Circuit/Advertising_Decor_Lamp_Controller_Composed_of_555.html
Print this Page | Comments | Reading(3)
Code: