Published:2011/6/16 4:11:00 Author:Lucas | Keyword: Agricultural, irrigation controller | From:SeekIC

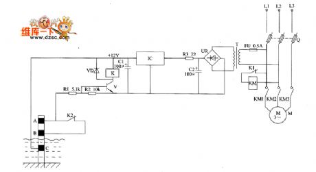
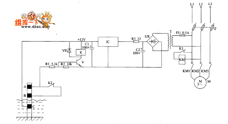
The agricultural irrigation controller circuit is composed of the power supply circuit and the water level detection control circuit, and the circuit is shown as the Figure. Power supply circuit is composed of the fuse FU, power transformer T, bridge rectifier UR, filter capacitors C1, C2, current limiting resistor R3 and two terminal integrated voltage regulator IC. Water level detection control circuits is composed of the high water level electrode A, low water level electrode B, main electrode C, resistors RI, R2, transistor V, Relay K, diode VD, AC contactor KM and other components. R1 and R2 use 1/4W carbon film resistors or metal film resistors.
Reprinted Url Of This Article:
http://www.seekic.com/circuit_diagram/Control_Circuit/Agricultural_irrigation_controller_circuit_diagram_1.html
Print this Page | Comments | Reading(3)
Code: