Published:2009/7/1 3:24:00 Author:May | From:SeekIC

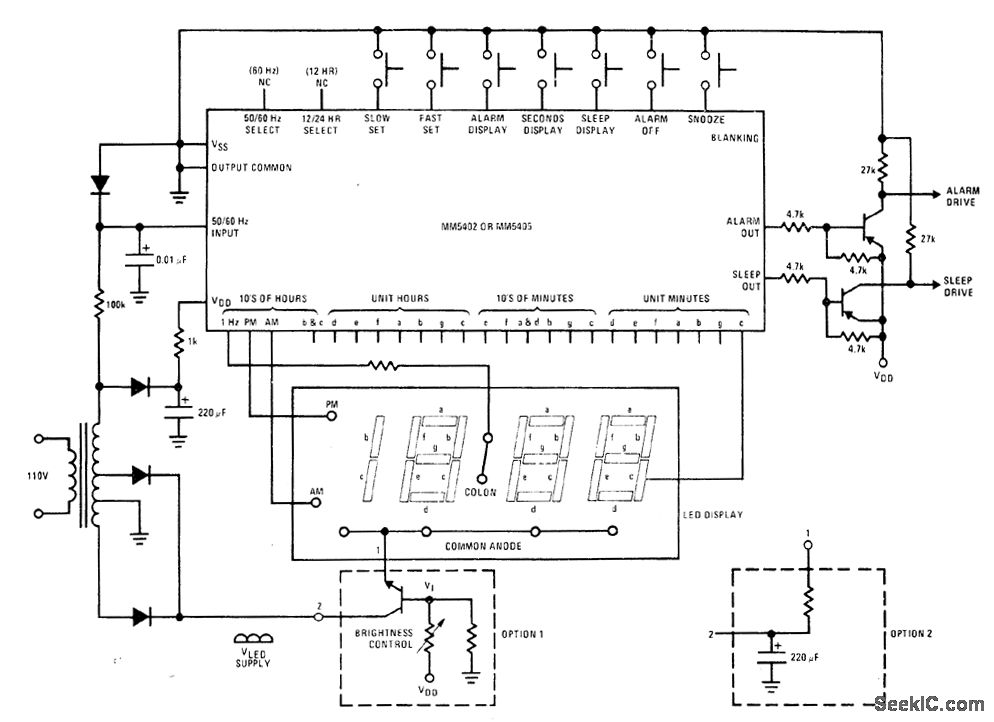
General-purpose digital clock with alarm uses National MM5402 or MM5405 MOS IC to drive 31/2-digit LED display and provide drive for alarm. Brightness control is optional. Sleep output can be used to turn off radio after desired time interval of up to 59 min.- MOS/LSI Databook, National Semiconductor,Santa Clara,CA,1977,p 1-68-1-73.
Reprinted Url Of This Article:
http://www.seekic.com/circuit_diagram/Control_Circuit/Alarm_Control/12_h_ALARM.html
Print this Page | Comments | Reading(3)
Code: