Published:2009/7/1 3:26:00 Author:May | From:SeekIC

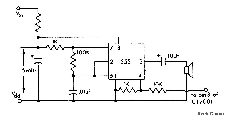
Simple 555 timer generates alarm tone driving small loudspeaker, for use with Cal-Tex CT7001 and other similar digital clocks which do not have internal tone generator. Circuit requires +5 V, but supply can be higher value if suitable dropping resistor is used.-M. S. Robbins, Electronic Clocks and Watches, Howard W. Sams, Indianapolis, IN, 1975,p 91.
Reprinted Url Of This Article:
http://www.seekic.com/circuit_diagram/Control_Circuit/Alarm_Control/ALARM_GENERATOR.html
Print this Page | Comments | Reading(3)
Code: