Published:2009/7/9 4:20:00 Author:May | From:SeekIC

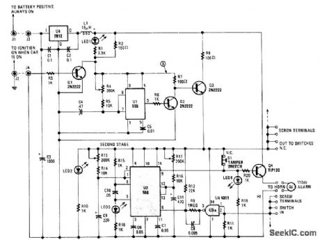
The circuit automatically turns on when the car is turned off. It gives you a variable time to get out and lock up, and also provides a variable time delay to get in and start the car.
The 555 oscillator/timers are always powered down when the car is on. That keeps the alarm from going off while you're driving. As soon as the car is turned off, Q2 switches off and shunts power to U1. When that happens, U1 immediately sends its output high, keeping Q3 on, and thereby prevents power from returning to U2.
Transistor Q2 also sends power to Q3's collector to be used only when U1 has completed its timing cycle. When U1 has finished, it turns Q3 off, which in turn activates Q4, and sends power to the balance of the circuit. That timing period was the time needed to get out of the car. LED1 indicates that the system is disarmed and LED2 indicates that the system is armed.
At this point, U2 whits for a trigger pulse from the car's door switches or dome light. A positive impulse at the 4011's input sends a negative trigger pulse to the first stages of U2, which is connected as a cascading timer. The first stage's output becomes high for a time to allow the car to be turned on.
If that does not happen, the first stage's output lowers, which sends a low trigger pulse to the second stage. The second stage then sends its output high, turning on Q5, which sounds the alarm for a given time. Once that time has elapsed, the alarm is shut off by a low output to Q5 and the system is reset. If the car door is closed or a second door opened while the alarm is sounding, the first stage retriggers and pre-pares to extend the ON-time of the alarm.
The cascading or counting action continues until the car is left alone. You can add a switch on the positive supply rail at J3 to override and silence the alarm, if (for example) you plan to work on the car.Switch S1 is a normally closed type that is built into the case of the alarm; S1 is pushed to the open posi-tion when the case is mounted flush with a surface. Any attempt to remove the alarm will sound the alarm.
Reprinted Url Of This Article:
http://www.seekic.com/circuit_diagram/Control_Circuit/Alarm_Control/AUTOMATIC_ARMING_AUTO_ALARM.html
Print this Page | Comments | Reading(3)
Code: