Published:2012/10/25 21:29:00 Author:Ecco | Keyword: Alarm , op amp | From:SeekIC

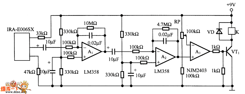
A1 and A2 form the two-stage amplifier which can amplifer output signal of pyroelectric sensor IRA-E006SX to a desired level. A3 is a comparator, and RP adds reference voltage to the inverting input terminal of A3, whe A2 output level is higher than the reference voltage, A3 outputs a high level to make VT1 conduction, relay κ action to drive the alarm.
Reprinted Url Of This Article:
http://www.seekic.com/circuit_diagram/Control_Circuit/Alarm_Control/Alarm_circuit_diagram_using_op_amp.html
Print this Page | Comments | Reading(3)
Code: