Published:2012/12/11 0:04:00 Author:Ecco | Keyword: Alarm , pyroelectric sensor | From:SeekIC

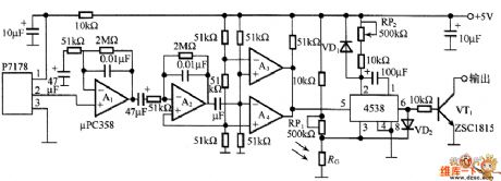
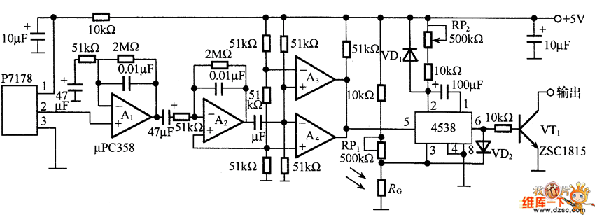
The circuit is composed of amplifier, comparator and an output control part. According to Faraday's law, person's body temperature is about 37 ℃, radiation infrared wavelength is about 10μm, the pyroelectric sensor selects P7178 with 7 ~ 20μm sensitive wavelength range. A1 and A2 are selected low noise, low loss CMOS op amp μPC358, and it is connected to band-pass filter composed of RC to prevent the entry of the noise and error signal, extracting only a signal when the human body moves. A3 and A4 constitute a comparator.
Reprinted Url Of This Article:
http://www.seekic.com/circuit_diagram/Control_Circuit/Alarm_Control/Alarm_circuit_diagram_using_pyroelectric_sensor.html
Print this Page | Comments | Reading(3)
Code: