Published:2009/6/17 2:35:00 Author:May | From:SeekIC

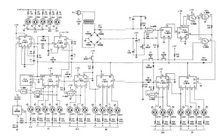
This circuit is an unusual clock in that the LEDs are bi-color red/green displays that indicate the Lime in binary coded decimal form.LEDs 21 through 24 read out secondsLEDs 5, 18, 19, and 20 read out 105 secondsLEDs 14 through 17 read out in minutesLEDs 4, 11, 12, and 13 read out in 105 minutes LEDs 7 through 10 read out the hoursLEDs 1, 2, 3, and 6 read out tens of hoursThe 60-Hz line is used as a timebase.
Reprinted Url Of This Article:
http://www.seekic.com/circuit_diagram/Control_Circuit/Alarm_Control/BINARY_CLOCK.html
Print this Page | Comments | Reading(3)
Code: