Published:2009/6/17 2:24:00 Author:May | From:SeekIC

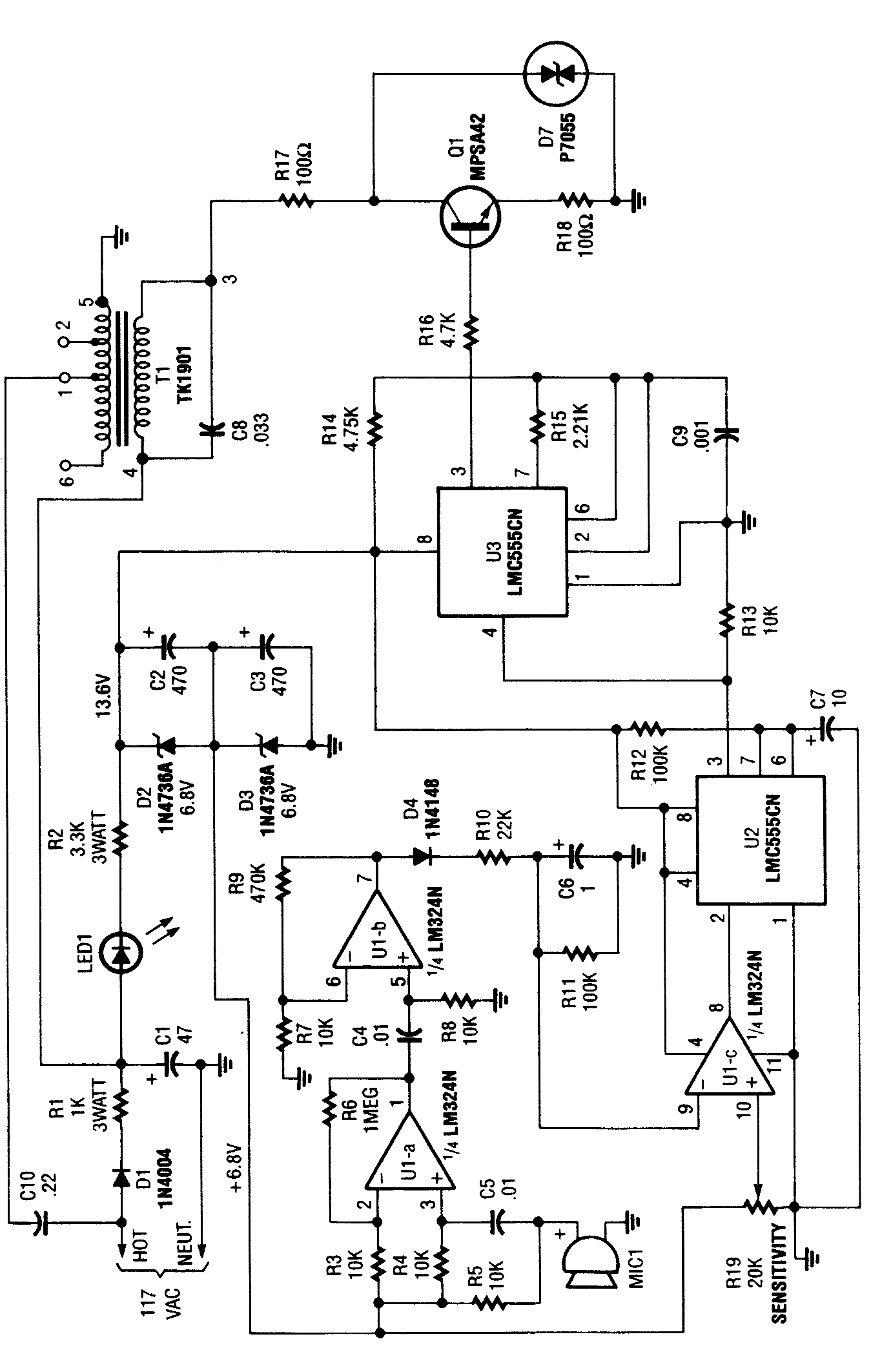
The baby-alert transmitter is built around an LM334 quad op amp(U1), two LMC555CM CMOS oscillator/timers(U2 and U3), and a few support components. The transmitter sends a signal on receipt of a sound at MIC1. It has a frequency of around 125 kHz and can be used to trigger an alarm receiver.
Reprinted Url Of This Article:
http://www.seekic.com/circuit_diagram/Control_Circuit/Alarm_Control/CARRIER_CURRENT_BABY_ALERT_TRANSMITTER.html
Print this Page | Comments | Reading(3)
Code: