Published:2009/7/9 23:22:00 Author:May | From:SeekIC

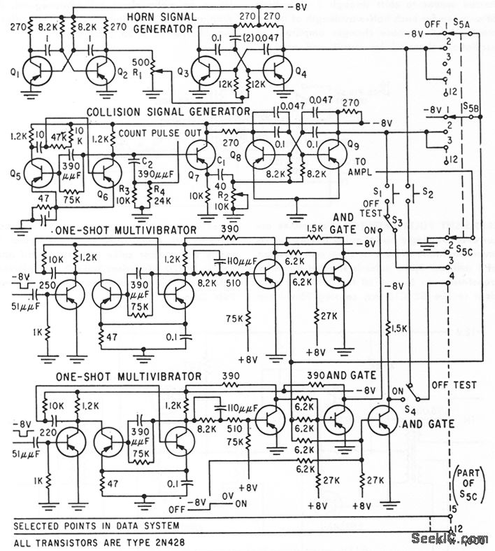
AudibIe alarm system gives distinctive indication of fault loccttion in digitcd computer and data processing equipment. Hom cnd collision signcd sounds are generctted by electronic circuits shown, for monitoring two circuits. Mixing those two signals produces battle stations sound for monitoring third circuit.-S. Fierston, Alarm Circuit Warns of Faults in Digital Systems, Electronics, 32:27, p 48-49.
Reprinted Url Of This Article:
http://www.seekic.com/circuit_diagram/Control_Circuit/Alarm_Control/COMPUTER_FAULT_ALARM.html
Print this Page | Comments | Reading(3)
Code: