Published:2011/7/7 7:34:00 Author:Felicity | Keyword: Engine Water Supply Alarm | From:SeekIC


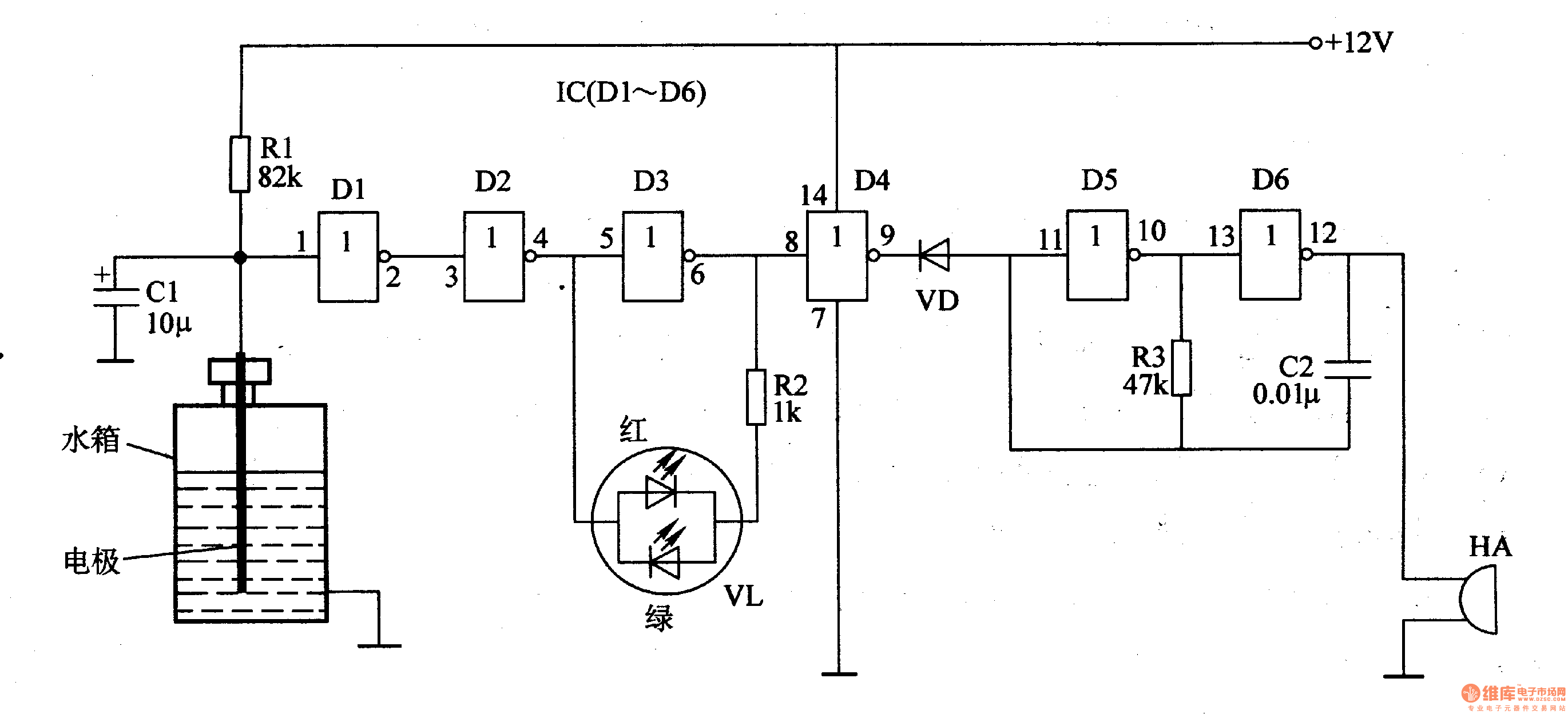
When the water level of the tank is above the lowest water level, electrode is connected to ground (the iron) through the resistance of water. And the input voltage of D1 is low; the output voltage of D2 is low and the output voltage of D3 is high. The green LED inside VL is on. And the output voltage of D4 is low; VD is on; the audio oscillator consists of D5, D6, R3 and C2 doesn’t work, HA is noiseless.When the water level is the same as the lowest water level (i.e. the electrode is just above the water), the output of D3 is at high level and the green LED inside VL is on while the green on is off. And the output of D4 is at high level to make VD cut off and then the audio oscillator works, then HA send out beeps.
Reprinted Url Of This Article:
http://www.seekic.com/circuit_diagram/Control_Circuit/Alarm_Control/Engine_Water_Supply_Alarm_Four.html
Print this Page | Comments | Reading(3)
Code: