Published:2009/6/28 21:31:00 Author:May | From:SeekIC

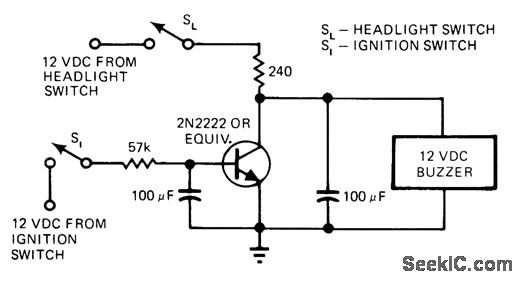
Designed for cars in which headlight switch is nongrounding type, providing 12 V when dosed. When both light and ignition switches are closed, transistor is saturated and there is no voltage drop across it to drive buzzer. If ignition switch is open while lights are on, transistor bias is removed so transistor is effectively open and full 12 V is applied to buzzer through 240-ohm resistor until lights are turned off.-R. E. Hartzell, Jr., Detector Warns You When Headlights Are Left On, EDN Magazine, Nov. 20, 1975, p 160.
Reprinted Url Of This Article:
http://www.seekic.com/circuit_diagram/Control_Circuit/Alarm_Control/HEADLIGHTS_ON_ALARM.html
Print this Page | Comments | Reading(3)
Code: