Published:2009/7/3 3:31:00 Author:May | From:SeekIC

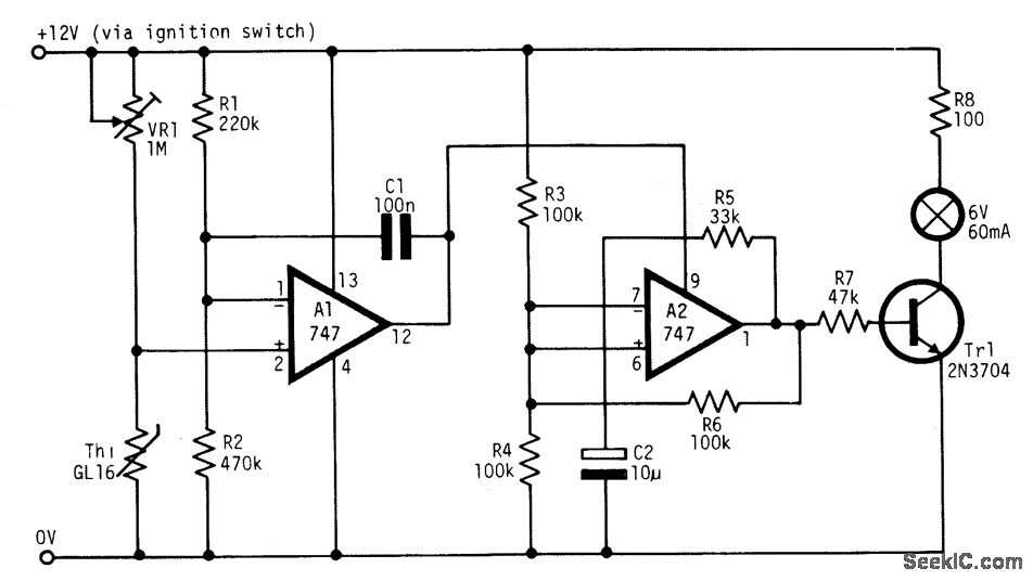
The circuit warns car drivers when the air temperature close to the ground approaches 0℃, thereby indicating possible formation of ice on the road surface. Op amp A1 is wired as a voltage level sensor. Op amp A2 is wired as an astable multivibrator which, by means of current buffer Tr1, flashes a filament lamp at about 1 Hz. As air temperature falls, a point is reached when the voltage at pin 2 just rises above the volt-age at pin 1. The output of A1 is immediately driven into positive saturation, since it is operated open loop. This positive output voltage powers A2 through its V + connection on pin 9, starting the oscillator. The thermistor is a glass bead type with a resistance of about 20 MΩ at 20℃. VR1 is adjusted so that the lamp starts flashing when the air temperature is 1 to 2℃.
Reprinted Url Of This Article:
http://www.seekic.com/circuit_diagram/Control_Circuit/Alarm_Control/ICE_FORMATION_ALARM.html
Print this Page | Comments | Reading(3)
Code: