Published:2009/7/6 6:15:00 Author:May | From:SeekIC

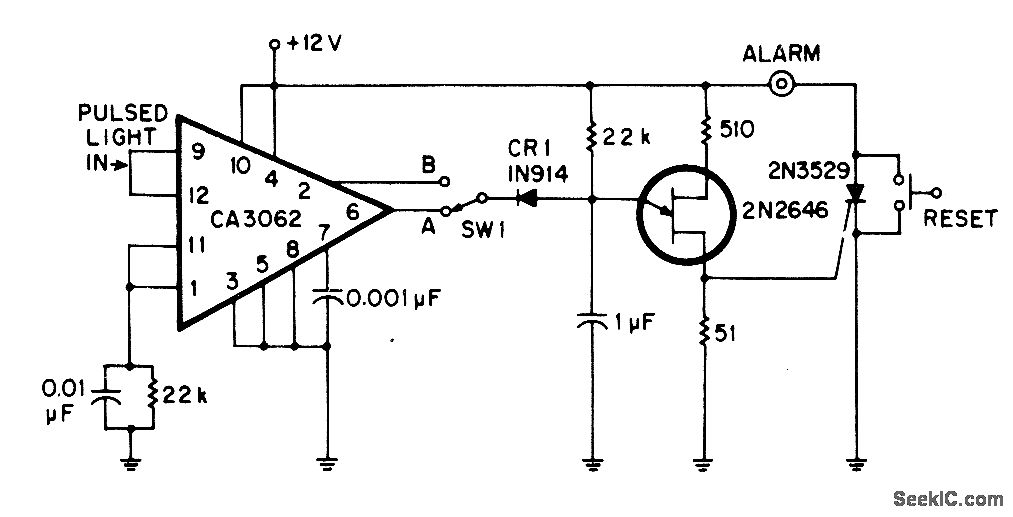
Developed for sensing missing light pulses or detecting absence of object on moving conveyor belt. CA3062 com bination light sensor and amplifier detects light pulses synchronized to 60-Hz line. With SW1 at A, each pulse resets 20-ms timing network of 2N2646 UJT at 16.7-ms intervals, preventing UJT from firing. If light beam is interrupted by object, UJT is allowed to fire and trigger 2N3529 SCR that turns on alarm. With SW1 at B, circuit detects interruptions in steady light beam and sounds alarm only when interruption does not occur.-J. F. Kingsbury, Double Duty Photo Alarm, EDN|EEE Magazine, May 15, 1971, p 51.
Reprinted Url Of This Article:
http://www.seekic.com/circuit_diagram/Control_Circuit/Alarm_Control/MISSING_PULSE_ALARM.html
Print this Page | Comments | Reading(3)
Code: