Published:2009/6/14 22:00:00 Author:May | From:SeekIC

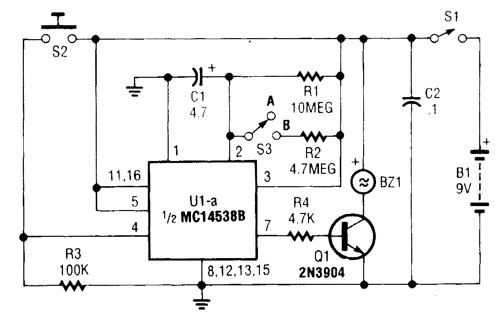
This circuit sends out a loud tone if the input switch(S2) is not retriggered at pre-set intervals. If you fall asleep and miss re-triggering the circuit, it will sound until you press S2.
Reprinted Url Of This Article:
http://www.seekic.com/circuit_diagram/Control_Circuit/Alarm_Control/NO_DOZE_ALARM.html
Print this Page | Comments | Reading(3)
Code: