Published:2009/6/14 22:13:00 Author:May | From:SeekIC

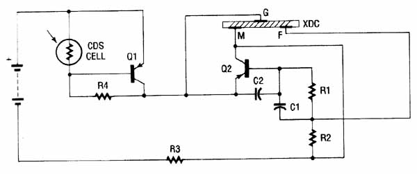
01,C2...............047 Disc Capacitor Q1,Q2.......... ... 2N3906 Transistor R1................ 6.8K Resistor R2..................33K Resistor R3................. 200 ohm Resistor R4..................75K Resistor XDC.................Piezoelectric transducer
The alarm uses a fixed-frequency piezoelectric buzzer in conjunction with the cadmium-sulfide (CDS) cell and the two-transistor circuit to provide a unique effect. Whenever light reaches the CDS photo-electric cell, the alarm is silent. But when no light strikes the cell, transistor Q1 tums on, and the circuit emits a high-pitched tone.The alarm consists of a piezoelectric disk that oscillates at the fixed frequency of 3. 137 kHz, cre-ated by transistor Q2, capacitor C1 and C2, and resistors R1 through R3. Transistor Q1 is used as a switch. It is forward-biased on by R4; however, the CDS cell turns Q1 off when the light is strik-ing it.A CDS photo cell is made from cadmium sulfide, a semiconductor material that changes resis-tance when the light strikes it. The greater the amount of light, the lower the resistance. The low re-sistance conducts positive voltage to the base of pnp transistor Q1, keeping it turned off' when the light shines on the CDS cell. As soon as the light is removed, the CDS cell provides a resistance of over 100 kQ. That causes Q1 to tum on, allowing a positive voltage to reach the emitter lead of Q2, which then begins to oscillate. That then causes the piezoelectric element (transducer) to produce a loud signal.
Reprinted Url Of This Article:
http://www.seekic.com/circuit_diagram/Control_Circuit/Alarm_Control/PIEZOELECTRIC_ALARM.html
Print this Page | Comments | Reading(3)
Code: