Published:2009/6/17 21:10:00 Author:May | From:SeekIC

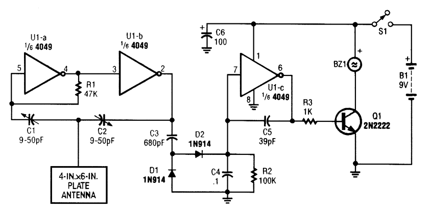
A CMOS logic gate is used to make up this circuit. When an object is near the antenna, the change in oscillator output is detected by D1 and D2 and amplified by U1C, which drives Q1, sound-ing alarm BZ1.
Reprinted Url Of This Article:
http://www.seekic.com/circuit_diagram/Control_Circuit/Alarm_Control/PROXIMITY_ALARM_II.html
Print this Page | Comments | Reading(3)
Code: