Published:2013/3/25 4:02:00 Author:Ecco | Keyword: Pyroelectric , Fire Alarm System | From:SeekIC

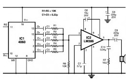
This is definitely an ultra-sensitive fire sensor that exploits the direct piezoelectric property of an ordinary piezo component to recognize the fire. The lead zirconate titanate crystals within the piezo component have the property to deform and produce an electrical potential when heated, thus converting the piezo component into a heat sensor.
Reprinted Url Of This Article:
http://www.seekic.com/circuit_diagram/Control_Circuit/Alarm_Control/Pyroelectric_Fire_Alarm_System.html
Print this Page | Comments | Reading(3)
Code: