Published:2011/12/5 1:08:00 Author:May | Keyword: Rice seeding bed, high temperature alarm | From:SeekIC

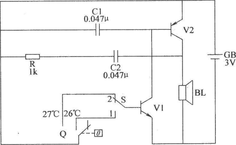
This rice seeding bed high temperature alarm circuit consists of electric hot thermometer Q, switch S, transistors V1, V2, resistor R, capacitors C1, C2, GB speaker BL and battery GB(V1, V2, and C1, C2, R, BL make up complementary oscillator circuit), and it isshown in the diagram. Component selection: R chooses 1/4W metal film resistor or carbon film resistor. C1 or C2choose polyester capacitors or monolithic capacitors. V1chooses 3DG6 or S9013 NPN silicon transistor; V2chooses 3AX81 germanium PNP transistors. BLchooses chose 0.25W, 812 electric loudspeaker. Qchooses fixed electric hot mercury thermometer. Schooses double-pole toggle switch. GBchooses two AA batteries.
Reprinted Url Of This Article:
http://www.seekic.com/circuit_diagram/Control_Circuit/Alarm_Control/Rice_seeding_bed_high_temperature_alarm_circuit.html
Print this Page | Comments | Reading(3)
Code: