Published:2009/6/14 23:10:00 Author:May | From:SeekIC

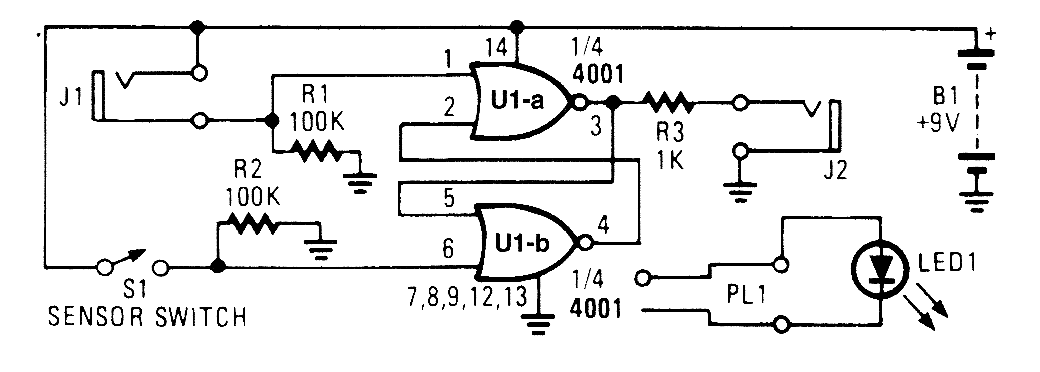
A sensor switch triggers a set-reset flip flop and lights an LED.
Reprinted Url Of This Article:
http://www.seekic.com/circuit_diagram/Control_Circuit/Alarm_Control/SILENT_ALARM.html
Print this Page | Comments | Reading(3)
Code: