Published:2009/7/9 4:36:00 Author:May | From:SeekIC

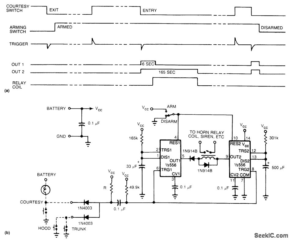
With a single IC, you can build a simple, reliable auto burglar alarm or a similar alarm. See (a) for the timing information for the alarm circuit in (b).
When you leave your vehicle, flip the arming switch and close the door,behind you to arm the device.Subsequent opening of an entrance triggers both timers. After the expiration of the entry delay timer, the alarm sounds for a time that is determined by the second timer.
The value of R should be less than 1 kΩ. If you use an incandescent lamp instead of a resistor, you get an extra function-an open-entrance indicator. By keeping the resistance low, you avoid false tripping should water collect under the hood.
If your door switch connects the courtesy light to 12 V rather than to ground, use a single transistor as an inverter at the input. Although this circuit's simplicity has its drawbacks, you can add more features, such as no-entry delays for the hood and trunk, and retripping when doors remain open.
Reprinted Url Of This Article:
http://www.seekic.com/circuit_diagram/Control_Circuit/Alarm_Control/SINGLE_IC_ALARM.html
Print this Page | Comments | Reading(3)
Code: