Published:2011/4/23 3:27:00 Author:Robert | Keyword: Sound Control, Alarm | From:SeekIC

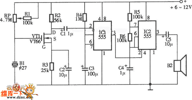
Sound Control Alarm Circuit is shown above.
Reprinted Url Of This Article:
http://www.seekic.com/circuit_diagram/Control_Circuit/Alarm_Control/Sound_Control_Alarm_Circuit.html
Print this Page | Comments | Reading(3)
Code: